激光清洗机(宽幅与窄幅极片表面处理)_按客要求定制
![]() |
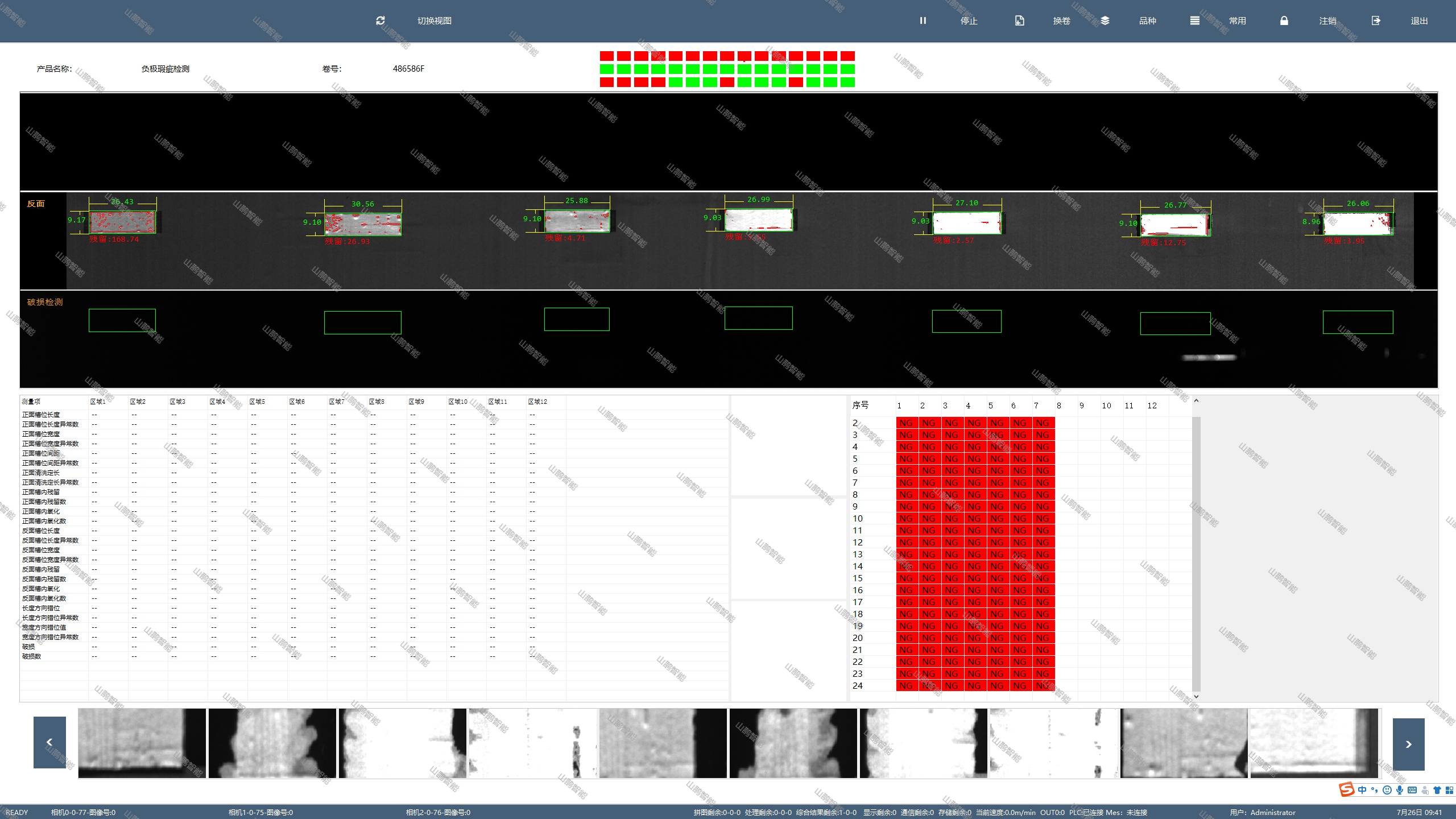
卷对卷极片通过激光对材料表层清除气化,或者其它行业需要激光表面清洁处理的非标定制。 使用激光将冷压后电池极片的涂膏区按要求的间隔尺寸进行局部清洗、除尘、效果检测等。 针对数码软包电池正反面极片上的活性物质快速烧除、气化,裸露出中间的金属导电集流体,并使之能达到电池 TAB 焊接的要求; 包含:放卷机构,纠偏机构,张力控制机构,正反面激光清洗机构,毛刷除尘机构, CCD外观检测机构,收卷机构等。采用PLC控制,具有故障检测功能。触摸屏操作、参数显示与设定方便快捷。设备结构合理、紧凑、自动化程度高 |

宽幅激光清洗机(按制程工艺非标定制)
山鹊智能专注新能源动力锂电池装备的研发与创新,愿景目标成为细分领域的领跑者,秉持长期主义,以工程师为核心的企业文化,不断引进优秀人才,推崇简单的人际关系,不断精进,和谐包容。
公司以为客户创造价值为己任,已成为动力锂电池装备中不可或缺的价值增值组成,客户已涵盖动力锂电池行业主要核心企业。
Email: sales@soundcheckauto.com